Клапан управления фильтром КЛАП’С КМ1
- Описание
- Отзывы (0)
- Задать вопрос
Многоходовой клапан КЛАП’С КМ1: Интеллектуальное управление системами водоподготовки.
Управляйте водоподготовкой профессионально! Многоходовой клапан КЛАП’С КМ1 — это не просто механический переключатель, а высокотехнологичный центр управления для бытовых и коммерческих систем. С ним вы забудете о сложных инструкциях — интуитивно понятный русскоязычный интерфейс делает настройку простой и быстрой.
Преимущества клапана КЛАП’С КМ1
Универсальный контроллер КЛАП’С КМ1 создан для решения широкого спектра задач. Вот почему его выбирают профессионалы:
- Универсальность: Одно устройство для фильтрации, умягчения и регенерации. Подходит для корпусов фильтров до 21".
- Высокая производительность: Обеспечивает поток до 6,0 м³/ч с минимальными потерями давления (1,0 бар в режиме фильтрации, 1,7 бар при промывке).
- Умное управление: 4 типа запуска промывки (по дням, по часам, отложенный, немедленный) и гибкое программирование до 8 стадий с произвольным порядком.
- Расширенная автоматизация: Широкий функционал дискретных входов/выходов для подключения электромагнитных клапанов (24/220В), управления насосами-дозаторами, реле и другими внешними устройствами.
- Надежный блок питания: Работает от 100 до 240В со встроенной защитой от скачков напряжения.
- Дистанционный контроль: Возможность удаленного запуска промывки и синхронизации работы нескольких фильтров.
- Встроенная диагностика: Журналы событий (промывки, аварии, расход воды) хранятся 30 дней для удобного анализа работы системы.
Технологии для комфорта и надежности
Сенсорный интерфейс нового поколения
Управление системой через яркий 4-дюймовый сенсорный экран интуитивно и комфортно. Высококачественный дисплей реагирует на нажатия даже в перчатках или с каплями воды, предлагая опыт, сравнимый с использованием современного смартфона.

Гибкость программирования
Вы сами определяете алгоритм работы. Создавайте и настраивайте до 8 стадий промывки в любой последовательности, идеально адаптируя систему под конкретные параметры воды и задачи.
Защита от сбоев
Контроллер запоминает положение плунжера при отключении электроэнергии. Это исключает риск подачи регенерационного раствора в линию питьевой воды при восстановлении питания, гарантируя безопасность.

Энергоэффективность и экономия ресурсов
Продуманная конструкция клапана направлена на снижение эксплуатационных расходов. Он оптимизирует расход воды и реагентов, обеспечивая бесперебойную и экономичную работу.

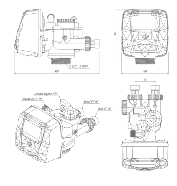
Технические характеристики
- Назначение: Фильтрация, обезжелезивание, умягчение воды.
- Совместимость: Корпуса с горловиной 2,5” (8”-21”).
- Пропускная способность: до 6,0 м³/ч.
- Байпас: Встроенный, для подачи воды потребителю во время промывки.
- Дополнительно: В комплекте набор эжекторов, DLFC (ограничитель потока дренажа), BLFC (ограничитель линии солевого раствора), встроенный счетчик воды.
- Адаптивность: Быстрая конвертация фильтра в умягчитель и обратно.
- Гарантия: 12 месяцев.
Для кого создан КЛАП’С? Примеры применения
- Частный дом / Коттедж: Идеален для семьи из 3-5 человек. Гарантирует мягкую воду для бытовой техники (посудомоечные и стиральные машины, бойлеры), защищает сантехнику от накипи и делает кожу и волосы более мягкими после душа.
- Небольшая кофейня или ресторан: Обеспечивает стабильно высокое качество воды для приготовления напитков и пищи, что напрямую влияет на вкус кофе и еды. Экономит бюджет на обслуживании кофемашин.
- Прачечная самообслуживания или мини-отель: Справляется с высокими пиковыми нагрузками, предотвращает образование накипи в нагревательных элементах стиральных машин, значительно продлевая их ресурс.
- Автомойка: Используется в финишных стадиях ополаскивания для предотвращения пятен и разводов на кузове автомобиля.
Клапан КЛАП’С КМ1 — это инвестиция в долговечность вашего оборудования и качество воды. Он объединяет передовые технологии, надежность и простоту управления, предлагая профессиональное решение для любых задач водоподготовки. Гарантия 12 месяцев.
Характеристики
| Производитель | КЛАП’С |
| Скорость потока, м³/ч | до 6 |
| Посадочный размер | 2,5” |
| Вход/Выход/Дренаж | 1”; 1”; 3/4” |
| Режим работы | Умягчение / Обезжелезивание |
| Колонна фильтра | 0844, 1035, 1044, 1054, 1252, 1354, 1465, 1665, 1865, 2162, 2169 |
| Экран | Жидкокристаллический |
| Предназначение | Умягчение, Умягчение - Обезжелезивание, Обезжелезивание, Осветление, Сорбция |
| Тип автоматической промывки | Автоматическая |
| Максимальная обратная промывка, м³/ч | 6 |
| Водоподъёмная труба | 1,05” (26,7 мм) |
| Солевая линия | 3/8" |
| Максимальное рабочее давление, бар | 8,6 |
| Диапазон температур эксплуатации, С° | 1-43 |
| Материал корпуса | Noryl (пластик) |
| Тип конструкции | Поршневой |
| Назначение | для фильтра умягчения / обезжелезивания / сорбции |
| Принцип работы | автоматический |
| Тип | Блоки управления для фильтров |
| Габариты и вес в упаковке | |
| Вес | 2200 г |









